Elane Electronics Logo
                Home
...solutions through technology...
Highest Quality Postal Scales and Postage Computing Scales 
ELANE.NET markets POSTAGE COMPUTING SCALES, POSTAL SCALES.  DIGITAL SCALES, NETWORK SCALES, LOAD CELLS, MANUFACTURING OF OEM CONSUMER PRODUCTS, CONTRACT MANUFACTURING, SOFTWARE, PCB ASSEMBLY, PRODUCT DEVELOPMENT.
 
 
      Elane MFI Logo

     Elane  Electronics Favorites

Home      Company Information      Sitemap      Contact Us      



Highest Quality load cells can replace name brand products at lower prices.

Elane Load Cells are economical and highly accurate.

 For over 20 years, we have manufactured load cells for our scales and supplied large quantities of standard and custom made load cells internationally for other businesses and manufacturers

PRODUCT LIST  

New Load Cell Product

3 Axis Load Cell
3 Axis Load Cell
Price: US$435.00 Including Shipping Cost


Todd Cannon CST DIY racing pedal Load Cell  www.cannonsimulationtechnologies.com

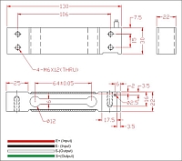
Todd Cannon CST DIY racing pedal Load Cell Diagram
(Click image below for larger version)


Todd Cannon Load Cell

Ø 30kg
30kg
Price: US$42.50 + US$10.50 Shipping Cost
Ø 60kg
30kg
Price: US$43.50 + US$10.50 Shipping Cost

Load Cell Wiring Diagram
General wiring diagram for all our load cells

Load Cell Guidelines

SAMPLE PRICELIST

Please select Load Cells from categories below:

Low Cost Load Cell

Shear Beam Load Cell

Tension Load Cell

Compression Load Cell

Custom Made Load Cell

*Custom cable lengths are possible on most load cells as an option.

 


Latest Postal Rate Changes

Order new rate chips for your scales now!

USA Postal Service Rate Change effective
January 2020

Australia Postal Service Rate Change effective October 2016

UK Postal Service Rate Change effective March 2020

Deutsche Post Rate Change effective January 2014

POS Malaysia Rate Change effective July 2013

Latest software for Elane Scales available now!

More software updates....
 

OTHER WEB PAGES
Product Registration
Datasheet Download
User Manual Download
USB Software
Scale Utilities Download
Order Data/Rate Chips
Order Keyboard Overlays
USA Postal Calculator
Australia Postal Calculator
Weight Conversion Calculator
Product Summary
Product Support
Technical Guide
Wanted Distributors
ELANE Policies
Employment Opportunities
WEBSITES

 
 


 
ELANE.net Webpages Finder

3 Axis Load Cell
AC Adapters
Android Postage Calc Software
Android Weight Converter
Bank Note Counting Scale 
Bar Inventory Scale
Bar Manager
Bar Manager Scale
Barcode Scanner
Barcode Scanner Wireless
Bluetooth enabled Scale
Bluetooth Flat Scale
Bluetooth Portable Printer
Bluetooth Scale
Bluetooth Thermal Printer
Bottle Scales
Calibration Weight Set
Calibration Weights
Coin Counter Scale
Coin Counting Scale
Compression Load Cell
Counting Scale
Custom designed Load Cells
Custom Designed Scales
Data Chip
Data Sheets
Diet Scale
Digital Inventory Scales
Digital Postage Scales
Digital Postal Mail Scales
Digital Postal Scales
Digital Scale
Drink Consumption Scale
Drink Inventory Scale
Electronic Postage Scales
Electronic Scales
Ethernet enabled Scale
Flat Bluetooth Scale
Franking Machine
Hanging Scale
Interface Cables
Internet Scales
Inventory Manager Scale
Inventory Scale
Label Printers
LAN connected Scales
LAN Scale
Laser Scanner
LCD Module
LCD Postal Scales
Load Cell
Load Cell 3 Axis
Load Cell Amplifier
Load Cell Experimental Kits
Load Cell Junction Box
Load Cell OIML
Load Cell Tester
Load Cell USB
Money Counter
Network Scale
OEM Production
OIML Load Cell
Online Postage Scales
Paper Weight Scale
Paperticket Counting Scale
Parcel Scale
Parcel Scale USB
PLUS scale
Postage
Postage Computing Scales
Postage Rate Chips
Postage Rates
Postage Scale
Postal Mail Scales
Postal Rate Change
Postal Rate Chip
Postal Scale
Printer
Printing Ink Scale
PS3000 Scale
Rate Computing Scales 
RFID Systems 
RFID Technology
RS232 Scale
RS485 Scale
Scale Kit
Scale Load Cell
Scale Software
Scales Development
Scales  
Shipping Scales
Support
Tension Load Cell
Thermal Label Printers
USB Load Cell
USB Scale
USB Scales
Weight
WIFI Scale
WLAN scale